圣邦微电子推出SGM37460Q,一款专为车载智能座舱中的中控屏、仪表盘及抬头显示(HUD)等应用推出的六通道、集成前级升压(Boost)转换器的车规级背光LED驱动芯片。
SGM37460Q的输入电压范围覆盖3.5V至36V;器件集成峰值5A(典型值)的Boost转换器功率下管,开关频率最高可达2.2MHz(典型值);集成六通道LED驱动电路,每通道均可承载150mA驱动电流,精度达到±2.5%,且支持多种调光模式;具备完善的保护功能,并集成温度超过140℃时的电流降额机制;符合AEC-Q100 Grade 1标准;采用TQFN-4×4-24EL封装。

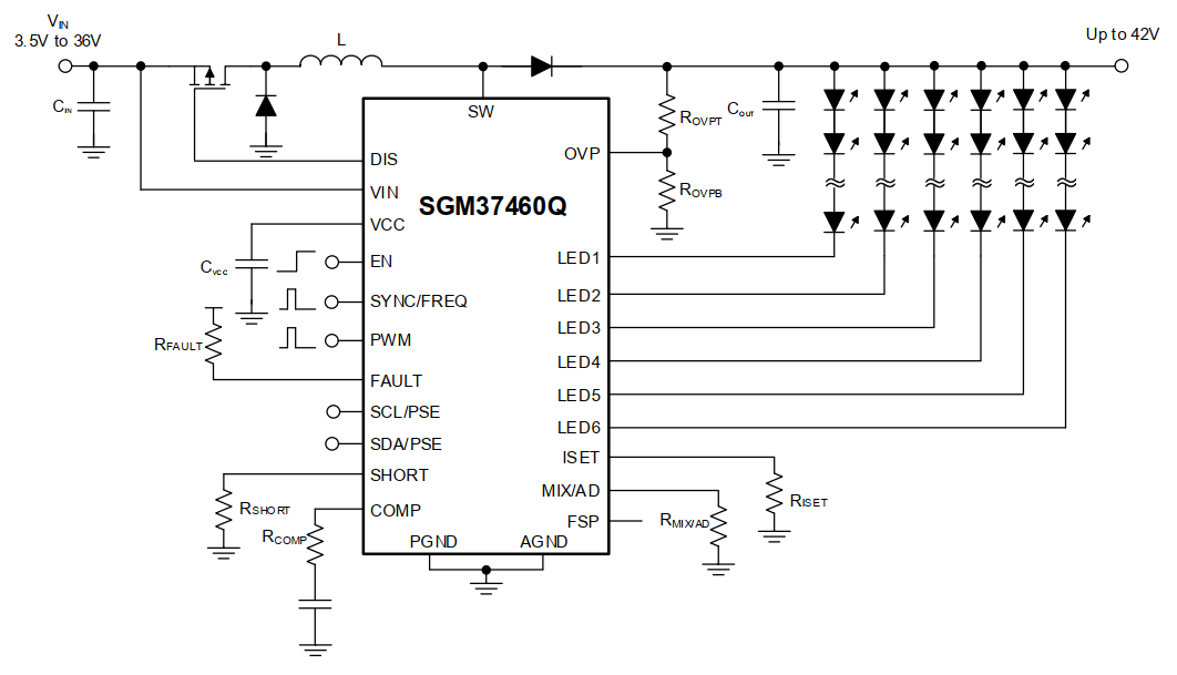
图1 SGM37460Q典型应用电路图
调光模式灵活丰富,满足多元场景需求
工程师们往往会根据不同用户的需求选择合适的调光模式。SGM37460Q支持通过I²C或外围电阻配置模拟调光、PWM调光及混合调光,可满足绝大多数客户的需求。
模拟调光 通过调节LED的驱动电流改变亮度。亮度输出平滑、无闪烁、无高频电流开关噪声、EMI低且运行安静,适合对EMC表现高要求的应用。
PWM调光 以固定峰值电流驱动LED,通过调节占空比控制平均亮度,电流波形始终保持最大幅度,LED的色温和光谱在整个亮度范围内都能保持一致。具备高效率、高精度以及出色的亮度一致性等特点。
混合调光 结合了前两者:在高亮度区采用模拟调光,实现低EMI、较高效率和较稳定色温;在低亮度区切换为PWM调光,避免高低亮度间色温偏差过大并保持高效率。
此外,SGM37460Q在PWM调光以及混合调光的PWM段支持相移功能,最小化瞬时负载变化导致的浪涌电流,并降低功率路径上的电压/电流纹波。

图2 混合调光模式




图3 模拟调光、PWM调光、混合调光及带移相功能的调光方式下的典型波形
高效工作,节能温升低
SGM37460Q内置了一颗Boost下管,其典型的导通阻抗仅90mΩ,显著降低导通损耗。结合芯片出色的驱动电路设计,SGM37460Q的Boost变换器效率可达94%。(测试条件:VIN = 12V,ISET = 100mA,LED灯串配置为6通道×12串每通道)

图4 SGM37460Q效率与LED电流的关系
除Boost变换器的高效率外,SGM37460Q还具有LED各通道的低余量电压(Headroom Voltage)的优势,进一步降低系统损耗。结合低热阻系数的QFN封装,SGM37460Q的温升表现优于同类方案。

图5 SGM37460Q温升表现
(测试条件:VIN = 12V,ISET = 100mA,LED灯串配置为6通道 × 8/10/12串每通道)
抖频技术灵活可配,优化EMI性能
SGM37460Q采用开关频率抖动(抖频)技术,有效分散EMI能量分布,降低开关基频及其高次谐波处的峰值干扰电平。该机制显著削弱频谱尖峰,提升系统EMI裕量,在不增加滤波器或磁件成本(方便,低成本)的前提下优化整体电磁兼容性能。工程师们可以通过I²C或外围电阻灵活配置调制频率和深度,以适应不同应用场景。

图6 调制频率(FMOD)和调制深度(△Fsw)示意图

图7 抖频下的典型波形
完善的保护机制,为系统保驾护航
SGM37460Q集成了多种保护功能,包括Boost过流保护(OCP)、Boost过压保护(OVP)、过温保护(OTP)、LED开路保护(LED Open Protection,可恢复)、LED短路保护(LED Short Protection,可恢复)以及LEDx-GND短路保护(Short LEDx-to-GND Protection)。这些功能共同保障芯片平稳运行,并大幅降低外部防护电路需求。
芯片还设有故障警告引脚(FAULT),可拉低信号来触发系统中上位机的中断功能。上位机也可通过I²C读取SGM37460Q寄存器,实现故障诊断。
此外,SGM37460Q还集成了LED电流高温衰减功能,当器件温度超过+140℃,自动降低各通道LED电流。
SGM37460Q典型功能与参数一览
符合AEC-Q100 Grade 1标准;
输入电压范围:3.5V至36V;
LED阳极电压:最高42V;
6个LED驱动通道,每个通道最高150mA;
支持PWM调光、模拟调光和混合调光;
15000 : 1的PWM调光比(在200Hz下);
±2.5%的通道间电流匹配精度;
Boost环路支持LED阳极电压自适应调节;
内置90mΩ MOSFET;
支持高达5A的逐周期开关电流限制;
开关频率支持300kHz至2.2MHz内可调,且支持外部开关频率同步;
集成频谱扩展功能(Spread Spectrum);
支持通过I²C接口配置或者外围电阻配置;
通过FAULT引脚释放故障中断功能;
Boost过流和输出过压保护;
LED开路和短路保护;
高温降额功能和过温保护;
符合环保理念的TQFN-4×4-24EL绿色封装,并带有可湿性侧面。
关于圣邦微电子
圣邦微电子(北京)股份有限公司(股票代码300661)作为高性能、高品质综合模拟集成电路供应商,产品覆盖信号链、电源管理、传感器及存储器等领域。公司拥有38大类近7,000款可销售型号,为工业与能源、汽车、网络与计算和消费电子等领域提供各类模拟及混合信号创新解决方案。
来源:圣邦微电子